聯系我們
- 銷售部:北京市平谷區
- 廠址:北京平谷區馬昌營鎮馬昌營村古槐路80號
- 電話:010-69983388
- 傳真:/
- 總經理信箱:
18901352922@163.com
營業執照
|
|
|
| 產品名稱:H41H止回閥系列 |
| 產品分類:止回閥系列 |
| 產品介紹: |
該產品嚴格按 GB12235 標準設計制造,閥瓣沿著中心定位作升降運動,襯套采用耐磨性能好,摩擦系數小的特殊材料制作,動作靈活可靠,密封性能優良。產品廣泛應用于石油、化工、制藥、電力行業等各種工況的管路上 |
|
|
|
主要性能規范:
|
試驗壓力 |
公稱壓力( MPa ) |
|
1.6 |
2.5 |
4.0 |
6.4 |
10.0 |
|
殼體試驗 |
2.4 |
3.8 |
6.0 |
9.6 |
15.0 |
|
密封試驗 |
1.8 |
2.8 |
4.4 |
7.1 |
11.0 |
|
閥體材料 |
WCB(C) |
CF8(P) |
CF 8M (R) |
WC6 |
WC9 |
|
工作溫度 |
≤ 425 |
≤ 100 |
≤ 100 |
≤ 550 |
≤ 550 |
|
適用介質 |
水、蒸汽、油品 |
硝酸類 |
醋酸類 |
水、蒸汽 |
水、蒸汽 |
|
|
執行標準:
設計制造: GB12235 結構長度: GB12221 連接法蘭: JB/T79-1994 試驗與檢驗: JB/T9092-1999
|
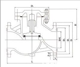
主要連接尺寸:
|
公稱通徑 |
PN1.6/2.5/4.0MPa |
PN6.4MPa |
PN10.0MPa |
|
L |
H |
L |
H |
L |
H |
|
DN32 |
180 |
100 |
260 |
160 |
260 |
165 |
|
DN40 |
200 |
110 |
260 |
165 |
260 |
170 |
|
DN50 |
230 |
115 |
300 |
170 |
300 |
175 |
|
DN65 |
290 |
140 |
340 |
185 |
340 |
190 |
|
DN80 |
310 |
170 |
380 |
205 |
380 |
235 |
|
DN100 |
350 |
200 |
430 |
230 |
430 |
265 |
|
DN125 |
400 |
230 |
500 |
265 |
500 |
310 |
|
DN150 |
480 |
255 |
550 |
310 |
550 |
350 |
|
DN200 |
600 |
285 |
650 |
350 |
650 |
400 |
產品外形及結構尺寸示意圖

3
4
5
|
|